Introduction
The introduction of high speed devices such as the recently introduced GaN and SiC Power FETs make probing a circuit much more difficult given that they can be switched as little as 1ns with rise and fall times of <20ns.
This article will demonstrate how to bring these high voltages down to safe levels and then route it to 50Ω equipment.
A Background on Measurement
Measuring the voltage of a circuit with a probe LOADS it both restively and capacitively. Basically, any attempt to measure voltage or current CHANGES IT
Additionally, measuring current with a current probe adds loop area and inductance, distortion and time delays
Observe a simplified schematic of a 10:1 10-MΩ 500MHz scope probe as depicted in Figure 1 below:
R10, R11 and R12 provide a 9MΩ resistance in parallel with a tuning capacitor C7. The 10:1 ratio is provided by divider of R13 of the scope and 9Ω probe tip resistance
To give 1% or better accuracy in voltage measurement, the circuit to be measured must have a source impedance of 100kOhms or less. Active probes can have higher input impedances but are limited to tens of volts.
Application
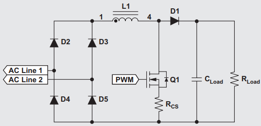
Figure 2 below is the schematic for a power-factor correction (PFC) boost topology
The GaN FET can have a dv/dt of 150ns and a fall time of 3ns. To meet a measurement error of <2%, the probe network should have a bandwidth of 5MHz.
Recall Figure 1. The 9-MW probe-tip resistance with the 50 pF of cable capacitance that is in parallel with the 16 pF of scope input capacitance forms a low-pass filter with a bandwidth of only about 250 Hz.
This is two million times lower than needed. To rectify this, probe tip compensation is performed. C7 is tuned to add a pole to the frequency response, ideally to 1pF to provide the least loading.
Reducing Probe Capacitance
One technique is to reduce the length of the cable AS MUCH AS POSSIBLE
We then add an active low-capacitance, wideband amplifier with high-input impedance. ****The impedance will be high enough to prevent overloading the circuit and limit power dissipation.
The following circuit can be used:


