This page examines the LM335 precision temperature sensor. It’s function is compared with other temperature sensors such as thermistors and thermocouples. Also, a test circuit is communicated
Introducing the LM335
The LM335 comes in a three-pin TO-92 package. It has a “+”, “-” and a “ADJ” pin. It outputs a 10mV/K reading.
Additionally, it has a linear response across its operating range.
The example circuit from the datasheet shows it connected as a voltage divider in order to read its … reading
Calibrating
You may seek to calibrate the temperature sensor. The datasheet provides a circuit for doing this
The formula is shown below:
V_{\text{OUT}_T} = V_{\text{OUT}_{T_0}} \times \frac{T}{T_0}
V_OUT_T = The output for an unknown temperature
V_OUT_T_0 = Output for a known temperature
T = Unknown temperature
TO = Known temperature
The easiest way to calibrate the IC is to use a known temperature and match the output. It is recommended to use an accurate thermocouple-based thermometer or medical thermometer for precise readings since temperature can fluctuate based on atmospheric pressure.
Using the LM355
The IC has a maximum forward current of 10mA however, the datasheet recommends 1mA for the highest accuracy.
The datasheet also recommends glue-lined heatshrink for waterproofing the metal legs.
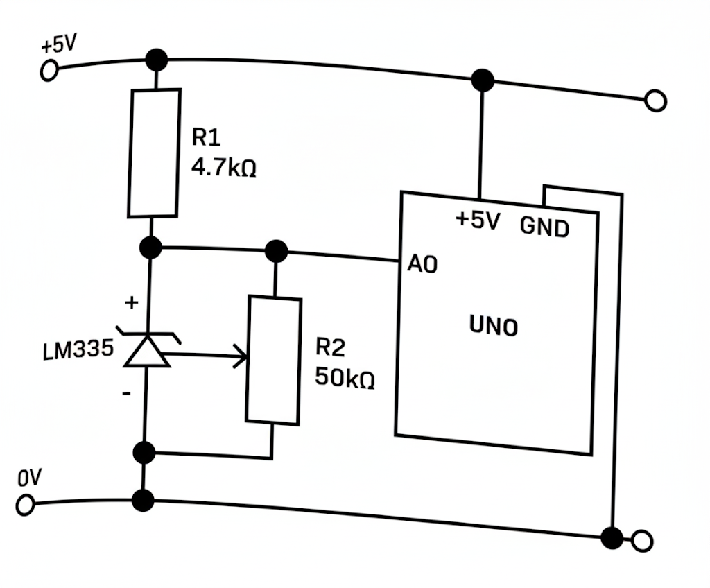
A Practical Circuit
With the theory under our belt, let’s see the LM335 in action!
The following is the calibration circuit from the datasheet. An Arduino will output the ambient temperature on the Serial Monitor.
The resistor divider is sized to be compatible with 5V.


