This page explores different ways to implement voltage regulators, from simple diode and zener circuits to integrated regulator ICs like the 7805 and LM317. Also, features and different configurations are discussed
Voltage regulators are ubiquitous in electronic products. They are used to provide a stable, consistent voltage. They are found in the power electronics portion of schematics which deal with supplying power and creating the different voltage rails. They are frequently connected after a buck or boost converter.
A resistor could be voltage regulator, albeit a very poor one. This is because the voltage dropped across the resistor varies as the supply voltage or current draw varies.
Voltage regulators can either be linear or switch-mode.
Linear regulators merely drop a portion of the input voltage. Thus, the output voltage will always be lower than the input voltage.
Switch-mode regulators use an inductor paired with a high-speed FET to either reduce or increase the supply voltage.
The Diode Regulator
This is the most basic regulator.
Heck, some linear regulators contain a zener diode inside of them as a very stable voltage reference.
In the following circuit, we have a voltage divider. The bottom leg is composed of a string of diodes. Diodes have a voltage drop that is fairly independent of changes in the supply voltage.
More or less diodes can be added to attain a desired regulated voltage. The obvious downside is the diode losses.
The problem with this circuit is that if we increase Vin, a greater voltage will be dropped across the resistor. Recall that voltage drop of the diode is fixed. This is problematic as the resistor has a limited power rating. Resistors with higher power ratings consume more board space. This is undesirable.
Let’s say we connect a 100Ohm resistor in series with 4 1N4004 diodes. This adds up to a voltage drop of 2.66V. Given a supply of 5V, the resistor drops (5 – 2.66) = 2.334V. The current through the resistor will be: 2.334 / 100 = 23.3mA.
Let’s now change the supply voltage to 12V.
The diode string as the same drop of 2.66V. However, this time the resistor must drop the remainder of the voltage which is 12 – 2.66 = 9.334V. The current through the resistor will be 93.3mA. A 0.5W resistor will not cut it. In this case, a higher wattage resistor is required (which consumes board space) or you use 2 50Ohm resistors in series.
This circuit was tested with various loads. The results are tabulated below:
It is clear that we need a better circuit
Zener diode regulators
This brings us to a variant of the diode – the zener diode.
Zener diodes are absolutely fantastic. Unlike regular diodes, zener diodes are designed to operate in the reverse breakdown region. However, they do have a limit in terms of power dissipation
Shunt vs Series Regulators
The circuit discussed above is a shunt regulator. This means they divert current away from the load. Shunt regulators can only sink current. They are inefficient.
In contrast, series regulators consume all that current
Series regulators are more efficient but generate significant heat
Regulator ICs
Regulator ICs include the: 7805, 7815, 78L12, LM337 and LM3940
This is the Functional block diagram of a typical linear regulator IC.
The voltage reference is composed from a zener diode.
Using a regulator IC
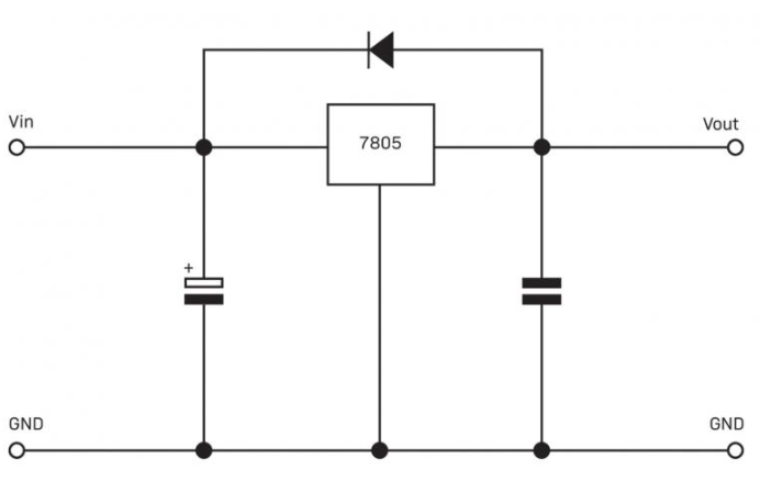
A typical application is shown below.
The 100nF output cap is to improve the transient response of the IC. It is not strictly mandatory.
A special class of linear regulators
You can purchase low dropout regulators (LDOs) such as the LM2940CT-5.0 which as a 500mV dropout voltage BUT it is more costly (4.5x more expensive). However they are more efficient.
Their purpose is low-powered applications. If a device is powered from a lithium battery, it’s voltage can drop below 3V. If this does, it can cause a normal linear regulator to fail regulation.
Back to linear regulators…
Adding an external diode to prevents the output cap from discharging into the IC in the event that the input is short circuited.
Another protection feature that linear regulators have is thermal shutdown
Ensure solid grounding otherwise the regulator does not regulate. Vin goes through the IC to Vout
Be aware of negative transients as this can damage the IC
The negative counterparts of linear regulators exist. This is useful for building a dual rail supply
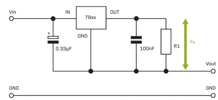
Boosting Output Current
If you seek to boost the output current, the following circuit has you covered.
NOTE: The following circuit does not have protection in the event of a short on the output
Adjustable Regulators
The regulators we’ve covered are fixed regulators. What about if you want an adjustable value?
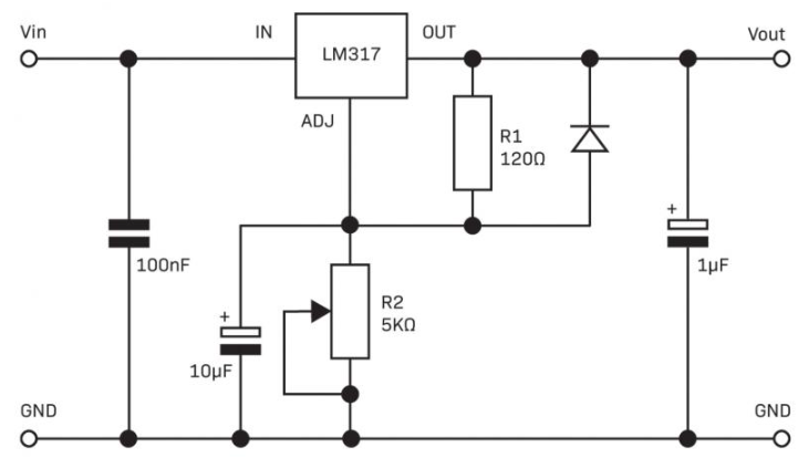
The LM317 achieves this function. The output voltage is able to vary from 1.2V – 37V
Consider the example circuit for the LM317:
Current Limiter
A linear regulator can be manipulated to behave as a current limiter.
To do this, we fool the internal reference of the regulator
I_{\text{OUT}} = V_R/R_1 + I_QI_OUT will be chosen by you
I_Q = Regulator quiescent current
In Closing
Despite the superior efficiency of switched-mode regulators, linear regulators still serve a purpose. They are often cheaper and introduce less EMI than switched-mode regulators.









