We continue part 2 of the linear PSU build by adding regulation and protection stages
What is a linear regulator
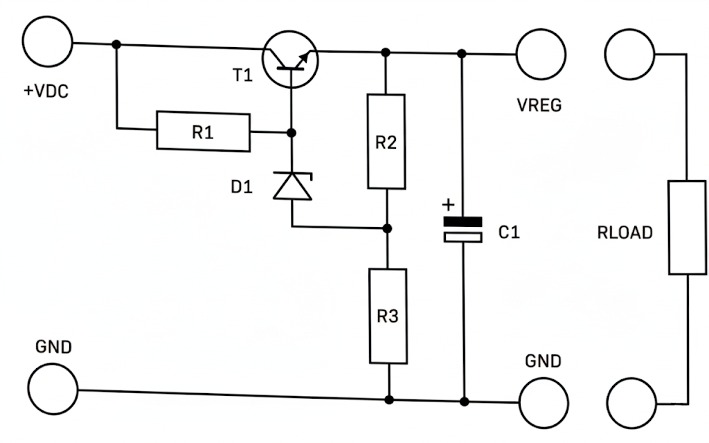
A linear regulator passes an input voltage to the output via a pass transistor which is controlled by a zener diode.
The output is fed back to the pass transistor, thereby regulating the voltage.
In the circuit below, R1 limits the current for D1, ensuring it doesn’t exceed its rating.
Commercial IC’s use an opamp in the feedback loop to compare the output voltage to an internal reference which then adjusts the pass transistor. The internal voltage reference is supplied from an internal constant current source, making it a GREAT voltage reference.
Protection
Let’s expand on the previous regulator circuit by adding protection!
Overvoltage protection can be achieved by replacing R2 in the previous circuit with an NTC thermistor. See the circuit below:
For overcurrent protection, let’s add R4 in series with the load. This monitors the output current.
If the current reaches 1A, R4 will be 0.6V. This causes T2 to conduct which pulls the reference voltage below the Zener voltage. This turns off T1. To calculate R4,
R4 = V/I = 0.6V/1A = 0.6Ohms
NOTE: This form of protection is much more desirable than a fuse since it is resettable. Nice.
Building a Simple Linear PSU
The specification is to convert 12VAC (from an undisclosed source) to 5VDC. The output must be filtered and regulated.
The schematic below is a culmination of everything we’ve looked at. It includes:
- AC rectification
- Filtering/smoothing
- Regulation
NOTE: For larger input voltages a transformer is used to stepdown the voltage, e.g. a 220VAC : 12VAC stepdown transformer
D5 is used if inductive loads are connected. It’s to ensure a reverse voltage doesn’t destroy the regulator. It does this by bypassing the harmful current.


