This article examines opamp specifications such as output impedance, gain, BW etc. This analysis is enhanced by a comparison of the LM741 and TL071. This article also includes practical considerations
Despite the ubiquity of MCU’s, op-amps despite being more than 5 decades old still serve several significant functions.
Let’s begin a discussion of opamp specifications:
Power Supply
The LM741 can handle input voltages of +/- 18V.
High Input Impedance
The original LM741 offers an input impedance of about 1 MΩ, whereas the TL071 pushes that figure all the way up to 1 TΩ.
Infinite Voltage Gain
The LM741 and TL071 has a gain of 200V/mV or 106dB. Infinite was never going to be realistic.
Infinite Bandwidth
Bandwidth refers to the frequency range of the opamp.
The upper frequency limit is a function of frequency and called. It is called the Gain Bandwidth Product (GBW).
However, there is another specification called unity bandwidth. This refers to the highest frequency that will deliver an output equivalent to the input. For the LM741, this spec is 1MHz. The TL071 has 3MHz. This means at 1MHz, the amplification is 3.
In most cases, the datasheet will present a graph of GBW. In the graph below, the gain reduces as a function of frequency at a rate of 20dB/decade.
Gain = GBW / Frequency (max)
For example, the LM741 at 1MHz, has a gain of 1.
However, at 100kHz, G = 1M/100k = 10 (20dB)
In order to avoid diminishing the gain as frequency increases, the feedback circuit must limit the gain to 10. If you desire a gain of 10 at MHz, according to the formula, the GBW must be ≥ 10MHz.
Zero Output Impedance
In reality, this specification is not listed in datasheets. However, it can be calculated from the output voltages and current that IS specified.
E.g. if Vout = +/- 15V, and Iout = 20mA, Zout = 15/0.02 = 750Ω.
Take this with a grain of salt, as opamps have built-in current-limiting.
Common Mode Rejection Ratio (CMRR)
CMRR is a measure of how well the opamp rejects noise common at both its inputs. This is relevant as crosstalk or other noise sources can induce noise on the opamp inputs. For the LM741, it’s CMRR is 90dB. In other words, the noise voltage is minimized by x92,000.
Power Supply Rejection Ratio (PSRR)
PSRR is a measure of how well the opamp can reject ripple/noise on the power supply. Ideally, it should not influence the output. The higher the PSRR, the better.
The LM741 has a PSRR of 96dB. This means a 1V ripple on the power supply will contribute 15uV off ripple on the output.
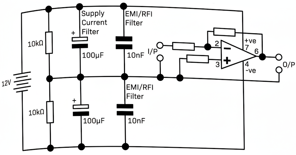
Practical Considerations
Power Supply Filtering
Despite the PSRR being quite impressive, a degree of filtering is required. A bulk electrolytic and parallel with a smaller value cap does the trick.
The capacitance can be calculated by: C = IT/V
where I is the load current and T = the time for the power supply to recover from a voltage event
Configuring for a single rail
If you are using an opamp from a single rail, a voltage divider can be used to halve the supply to power the feedback rail.
In order to maintain stability, the value of the resistors must be equal



